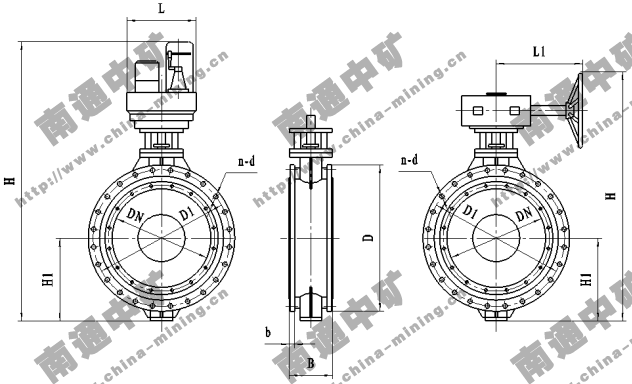
高性能密封蝶閥
丁寶勤 13906276368(技術)
電話:0513-88400999 傳真:0513-88400998 郵箱:jszk@vip.163.com

高性能密封蝶閥,適用于建材、玻璃、礦山、電力、輕工、造紙等行業的通風、環保工程等管道系統中。 對管道中氣體介質按不同控制信號調節流量大小和切斷。
高性能密封蝶閥具有重量輕、結構緊湊、耐磨損、流阻損失小、工作壓力高、密封壓差大、操作靈活、指示方位明確、維護方便、使用壽命長等優點。可任意角度安裝,適用于調節切斷和要求快速自保的場合。配用 DKJ 、 ZKJ 、伯納德等電動執行器及有關配件,可實現手動、自動無干擾切換,微機程控、自動控制或中央集中控制,是實現自動化控制操作、調節流量的設備。
性能參數:
公稱壓力(MPa) | 0.25 | 0.6 | 1.0 | 1.6 | 2.5 |
密封試驗壓力(MPa) | 0.275 | 0.66 | 1.1 | 1.76 | 2.75 |
強度試驗壓力(MPa) | 0.375 | 0.9 | 1.5 | 2.4 | 3.75 |
適用溫度 | -10℃-120℃軟密封 | -10℃-300℃硬密封 | |||
使用介質 | 空氣、煙氣、粉塵氣體等 |

上一頁:EF-C腭式閘門
下一頁:輕型蝶閥















